kłódka LOB Grom KT11 ATEST klasa 5 - antywłamaniowa, antykorozyjna

Dostępność: dostępny
Wysyłka w: 48 godzin
Cena brutto: 284,00 zł

Cena regularna:

284.00
Najniższa cena z 30 dni przed obniżką:
Cena netto: 230,89 zł

Cena regularna:

Najniższa cena z 30 dni przed obniżką:
ilość szt.

towar niedostępny

dodaj do przechowalni
Producent: Assa Abloy LOB
Kod produktu: kłódka Grom KT11 XT

Opis

Kłódka antywłamaniowa LOB Assa Abloy KT11 Grom ATEST kl.5 C


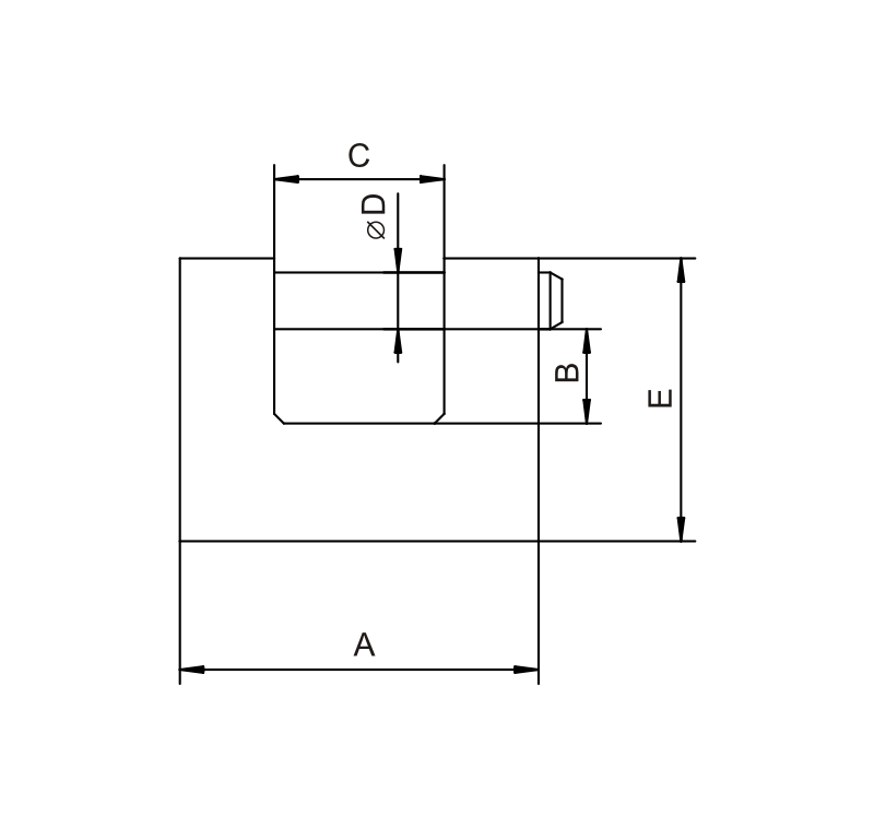
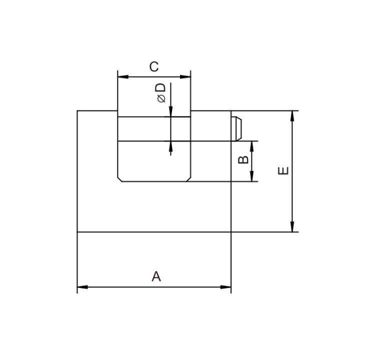
 - wymiary wg rysunku: A=83, B=16, C=26, D=12, E=72 mm, 4 klucze  

INFORMACJE PODSTAWOWE

Kłódka antywłamaniowa, antykorozyjna. SPECJALISTYCZNA KŁÓDKA DO ZASTOSOWAŃ WOJSKOWYCH. CERTYFIKATY: zabezpieczenie klasa 5 , odporność na korozję klasa 4. Jedna z najmocniejszych kłódek na rynku. Bardzo wysoka odporność na włamanie poparta atestem klasy 5 oraz atestem klasy C. Producent ASSA ABLOY Opening Solutions Poland. Do kłódki dołączono 4 klucze.

PARAMETRY PRODUKTU

Kłódka atestowana, antywłamaniowa, antykorozyjna, trzpieniowa, znalowa (Zn+Al) na klucz atestowany. Wymiary kłódki: szerokość korpusu 83 mm, średnica trzpienia 12 mm. Wg rysunku: A=83, B=16, C=26, D=12, E=72 mm. Kłódka nie jest samozatrzaskowa. W ZESTAWIE ZNAJDUJĄ SIĘ 4 KLUCZE.

  • certyfikat bezpieczeństwa klasy 5 (odpowiednik klasy C) wydany przez IMP w Warszawie
  • odporność na warunki atmosferyczne w klasie 4
  • kontrolowane dorabianie kluczy tylko w autoryzowanych przez LOB punktach
  • identyfikacyjna karta bezpieczeństwa uprawniająca do dorobienia klucza
  • zastosowanie klucza 6-nacięciowego
  • korpus wykonany ze stopów cynku
  • hartowany trzpień 12mm z powłoką niklowo-chromową
  • zabezpieczenie przed przecięciem trzpienia
  • zabezpieczenie przeciw metodom wibracyjnym
  • zabezpieczenie przeciw rozwierceniu
  • dodatkowa osłona z profilu stalowego
  • tarczka obrotowa utrudniającą przekręcanie bębenka
  • zaprojektowana do zastosowań wojskowych

INFORMACJE DODATKOWE

  • certyfikat Natowskiego Kodu Podmiotu Gospodarki Narodowej o numerze 2399H
  • certyfikat Instytutu Mechaniki Precyzyjnej (zabezpieczenie 5 , odporność na korozję 4)
  • profil klucza zastrzeżony w Urzędzie Patentowym Rzeczypospolitej Polskiej 

 

 


 

 

 

 

 

              

 

 

 

 

 

 

 

 

do góry
Sklep jest w trybie podglądu
Pokaż pełną wersję strony
Sklep internetowy Shoper.pl