Przejdź do głównej treści

516-189-278; 727-663-528; atest@e-klamki.pl

Zamknij wyszukiwarkę Wyczyść Szukaj

516-189-278 i 727-663-528

atest@e-klamki.pl

Produkty w koszyku: 0. Zobacz szczegóły

Twój koszyk jest pusty

system na profilu klucza LOB XT ATEST

kłódka systemowa na 1 jeden klucz LOB Grom ATEST klasa 5 wojsko antykorozyjna

z VAT bez VAT
Cena 419,00 zł

Wybierz wariant produktu:

Poszczególne warianty mogą różnić się ceną

Wybierz dokładnie tyle kluczy ile kłódek 2 razy więcej kluczy niż kłódek (+10,00 zł) 3 razy więcej kluczy niż kłódek (+20,00 zł) 5 razy więcej kluczy niż kłódek (+30,00 zł) 10 razy więcej kluczy niż kłódek (+120,00 zł)
szt.
Dostępność:
system produkowany na zamówienie klienta
Czas wysyłki: 21 dni

Opis

System jednakowych kłódek antywłamaniowych LOB KT611 Grom XT ATEST kl.5 C


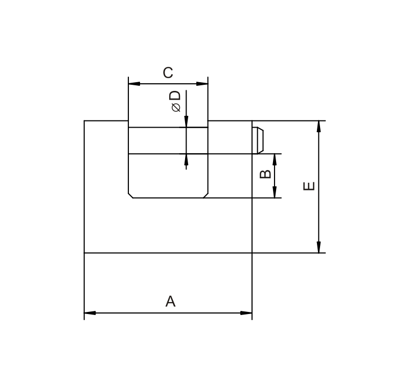
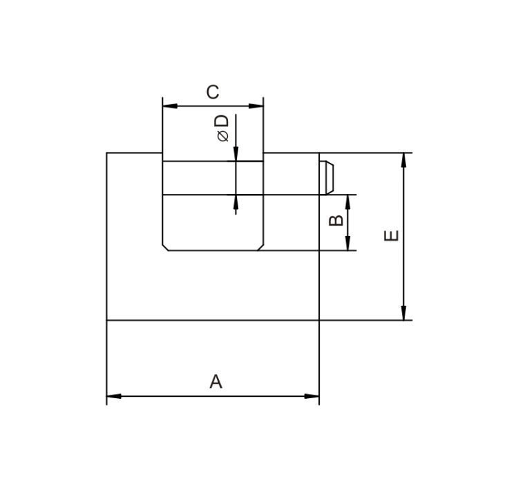
 - wymiary wg rysunku: A=83, B=16, C=26, D=12, E=72 mm, 4 klucze   

INFORMACJE PODSTAWOWE

Wszystkie zamówione produkty będą zamykane jednym wspólnym kluczem. Można zamówić dowolną liczbę kłódek i dowolną liczbę jednakowych kluczy. Każdym spośród zamówionych kluczy można będzie otworzyć każdą z zamawianych kłódek. 

PARAMETRY PRODUKTU

Kłódka atestowana, antywłamaniowa, antykorozyjna, trzpieniowa, znalowa (Zn+Al) na klucz atestowany. Wymiary kłódki: szerokość korpusu 83 mm, średnica trzpienia 12 mm. Wg rysunku: A=83, B=16, C=26, D=12, E=72 mm. Kłódka nie jest samozatrzaskowa. 

  • certyfikat bezpieczeństwa klasy 5 (odpowiednik klasy C) wydany przez IMP w Warszawie
  • odporność na warunki atmosferyczne w klasie 4
  • kontrolowane dorabianie kluczy tylko w autoryzowanych przez LOB punktach
  • identyfikacyjna karta bezpieczeństwa uprawniająca do dorobienia klucza
  • zastosowanie klucza 6-nacięciowego
  • korpus wykonany ze stopów cynku
  • hartowany trzpień 12mm z powłoką niklowo-chromową
  • zabezpieczenie przed przecięciem trzpienia
  • zabezpieczenie przeciw metodom wibracyjnym
  • zabezpieczenie przeciw rozwierceniu
  • dodatkowa osłona z profilu stalowego
  • tarczka obrotowa utrudniającą przekręcanie bębenka
  • zaprojektowana do zastosowań wojskowych

INFORMACJE DODATKOWE

  • certyfikat Natowskiego Kodu Podmiotu Gospodarki Narodowej o numerze 2399H
  • certyfikat Instytutu Mechaniki Precyzyjnej (zabezpieczenie 5 , odporność na korozję 4)
  • profil klucza zastrzeżony w Urzędzie Patentowym Rzeczypospolitej Polskiej 

Istnieje możliwość rozbudowy systemu w przyszłości o nowe kłódki na podstawie karty lub wzoru klucza.

W koszyku można jednocześnie umieścić różne produkty i skonfigurować z nich jeden system. Produkty i klucze z koszyka zostaną zsumowane. Można łączyć ze sobą wkładki o różnej długości, kłódki, zamki itp. o ile posiadają ten sam profil klucza. Pasujące modele wymienione są poniżej.